A 256 pixel magnetoresistive biosensor microarray in 0.18μm CMOS
- PMID: 24761029
- PMCID: PMC3993911
- DOI: 10.1109/JSSC.2013.2245058
A 256 pixel magnetoresistive biosensor microarray in 0.18μm CMOS
Abstract
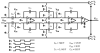
Magnetic nanotechnologies have shown significant potential in several areas of nanomedicine such as imaging, therapeutics, and early disease detection. Giant magnetoresistive spin-valve (GMR SV) sensors coupled with magnetic nanotags (MNTs) possess great promise as ultra-sensitive biosensors for diagnostics. We report an integrated sensor interface for an array of 256 GMR SV biosensors designed in 0.18 μm CMOS. Arranged like an imager, each of the 16 column level readout channels contains an analog front- end and a compact ΣΔ modulator (0.054 mm2) with 84 dB of dynamic range and an input referred noise of 49 nT/√Hz. Performance is demonstrated through detection of an ovarian cancer biomarker, secretory leukocyte peptidase inhibitor (SLPI), spiked at concentrations as low as 10 fM. This system is designed as a replacement for optical protein microarrays while also providing real-time kinetics monitoring.
Keywords: GMR spin-valve; biochip; biosensor; magnetic biosensor; proteomics; sigma delta modulator.
Figures














References
-
- Million RP. Impact of genetic diagnostics on drug development strategy. Nature Reviews Drug Discovery. 2006 May;5(6):459–462. - PubMed
-
- Schena M, Shalon D, Davis RW, Brown PO. Quantitative Monitoring of Gene Expression Patterns with a Complementary DNA Microarray. Science. 1995 Oct;270(5235):467–470. - PubMed
-
- Hall DA, Gaster RS, Osterfeld SJ, Makinwa K, Wang SX, Murmann B. A 256 channel magnetoresistive biosensor microarray for quantitative proteomics; presented at the 2011 Symposium on VLSI Circuits (VLSIC).2011. pp. 174–175.
Grants and funding
LinkOut - more resources
Full Text Sources
Other Literature Sources
Research Materials
Miscellaneous