Impact and Tensile Properties of Polyester Nanocomposites Reinforced with Conifer Fiber Cellulose Nanocrystal: A Previous Study Extension
- PMID: 34198848
- PMCID: PMC8201277
- DOI: 10.3390/polym13111878
Impact and Tensile Properties of Polyester Nanocomposites Reinforced with Conifer Fiber Cellulose Nanocrystal: A Previous Study Extension
Abstract
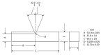
In a recent paper, novel polyester nanocomposites reinforced with up to 3 wt% of cellulose nanocrystals (CNCs) extracted from conifer fiber were characterized for their crystallinity index, water absorption, and flexural and thermal resistance. The use of this novel class of nanocomposites as a possible substitute for conventional glass fiber composites (fiberglass) was then suggested, especially for the 1 and 2 wt% CNC composites due to promising bending, density, and water absorption results. However, for effective engineering applications requiring impact and tensile performance, the corresponding properties need to be evaluated. Therefore, this extension of the previous work presents additional results on Izod and tensile tests of 1 and 2 wt% CNC-reinforced polyester composites, together with a comparative cost analysis with fiberglass. The chemical effect caused by incorporation of CNCs into polyester was also investigated by FTIR. In comparison to the neat polyester, the Izod impact energy increased 50% and 16% for the 1 and 2 wt% composites, respectively. On the other hand, the tensile strength and Young's modulus remained constant within the ANOVA statistical analysis. FTIR analysis failed to reveal any chemical modification caused by up to 2 wt% CNC incorporation. The present impact and tensile results corroborate the promising substitution of a polyester composite reinforced with very low amount of CNCs for common fiberglass in engineering application.
Keywords: cellulose nanocrystal; chemical analysis; mechanical behavior; nanocomposite; polyester.
Conflict of interest statement
The authors declare no conflict of interest.
Figures
References
-
- Scopus Database. [(accessed on 22 April 2021)]; Available online: www.scopus.com/search/form.uri#basic.
-
- Zhang Z., Cai S., Li Y., Wang Z., Long Y., Yu T., Shen Y. High performances of plant fiber reiforced composites a new insight from hierarchical microstructures. Compos. Sci. Techinol. 2020;194:10815.
LinkOut - more resources
Full Text Sources
