Assessment of the cyst wall and surface microbiota in dormant embryos of the Antarctic calanoid copepod, Boeckella poppei
- PMID: 39603712
- PMCID: PMC11602222
- DOI: 10.1111/1758-2229.70035
Assessment of the cyst wall and surface microbiota in dormant embryos of the Antarctic calanoid copepod, Boeckella poppei
Abstract
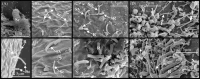
Embryos of zooplankton from inland waters and estuaries can remain viable for years in an extreme state of metabolic suppression. How these embryos resist microbial attack with limited metabolic capacity for immune defence or repair is unknown. As a first step in evaluating resistance to microbial attack in dormant zooplankton, surface colonization of the Antarctic freshwater copepod, Boeckella poppei, was evaluated. Scanning electron micrographs demonstrate the outer two layers of a five-layered cyst wall in B. poppei fragment and create a complex environment for microbial colonization. By contrast, the third layer remains undamaged during years of embryo storage in native sediment. The absence of damage to the third layer indicates that it is resistant to degradation by microbial enzymes. Scanning electron microscopy and microbiome analysis using the 16S ribosomal subunit gene and internal transcribed spacer (ITS) region demonstrate the presence of a diverse microbial community on the embryo surface. Coverage of the embryos with microbial life varies from a sparse population with individual microbes to complete coverage by a thick biofilm. Extracellular polymeric substance binds debris and provides a structural element for the microbial community. Frequent observation of bacterial fission indicates that the biofilm is viable in stored sediments.
© 2024 The Author(s). Environmental Microbiology Reports published by John Wiley & Sons Ltd.
Conflict of interest statement
The authors declare no conflicts of interest.
Figures








References
-
- Benesch, R. (1969) Zur Ontogenie und Morphologie von Artemia salina L. Zoologische Jahrbuecher, 86, 307–458.
-
- Bernabé, P. , Becherán, L. , Cabrera‐Barjas, G. , Nesic, A. , Alburquenque, C. , Tapia, C.V. et al. (2020) Chilean crab (Aegla cholchol) as a new source of chitin and chitosan with antifungal properties against Candida spp. International Journal of Biological Macromolecules, 149, 962–975. Available from: 10.1016/j.ijbiomac.2020.01.126 - DOI - PubMed
-
- Bertoglio, F. , Piccini, C. , Urrutia, R. & Antoniades, D. (2023) Seasonal shifts in microbial diversity in the lakes of Fildes peninsula, King George Island, maritime Antarctica. Antarctic Science, 35(2), 89–102. Available from: 10.1017/s0954102023000068 - DOI
MeSH terms
Substances
Grants and funding
LinkOut - more resources
Full Text Sources
Research Materials